Selector de productos

Qué producto necesita?

ROWA ofrece una guía rápida y sencilla para encontrar el producto que se adecue a sus necesidades.

Elige tu equipo
5/1 S. 5/1 S.
Línea Sanitaria

5/1 S.

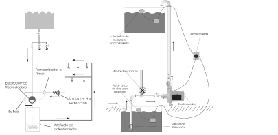
Recirculación de agua caliente hasta 70ºC. Abastecimiento de agua para toda vivienda. Apta para bombear agua potable sin residuos

garantia 2 años de garantía

Ventajas

  • Totalmente Silencioso
  • No se quema ante la falta de agua
  • Bajo consumo eléctrico
  • Tecnología, seguridad, confiabilidad

Motor

  • Totalmente silencioso
  • Bobinado protegido contra funcionamiento en seco, se apaga automáticamente.
  • Posee protector térmico incorporado.
  • No produce golpes de ariete.

Construcción

  • Equipos compactos
  • Partes en contacto con el agua fabricadas con materiales sanitarios.
  • Sistema rotor húmedo

Conexiones

  • Conexión eléctrica directa a la red
  • Entrada y salida con rosca de 3/4”,1” y 1½” (según producto)

Características

  • Tensiones disponibles: 127/220v
  • Temperatura máxima del agua: 70ºC
  • Temperatura ambiente: 40ºC
  • Presión máxima del sistema: 142,2 PSI (10Kg/cm²)
  • Tipo de aislación: F
  • Pérdida de carga máxima en succión: 5,7 PSI PSI (4 m.c.a.)

Detalles técnicos

 
Presión Máxima (PSI)       7,50
Caudal Máximo (GPM)      20,70
Potencia (HP)          0,1
Tension V        127/220
I (A)       1,20/0,60
Conexion         3/4

Peso 3,70 Kg / Dimensiones . mm

Posiciones de instalación

El presurizador deberá ser instalado obligatoriamente de modo que el eje de la electrobomba permanezca en posición horizontal, de acuerdo a las siguientes figuras. El no cumplimiento de esta norma implicará el desgaste irregular del equipo y la consecuente pérdida de la garantía.

Esquema de Instalación