Selector de productos

Qué producto necesita?

ROWA ofrece una guía rápida y sencilla para encontrar el producto que se adecue a sus necesidades.

Elige tu equipo
Tango SFL 9 . Tango SFL 9 .
Línea SFL

Tango SFL 9 .

Aumento de presión de agua en residencias en general, nuevas o antiguas con tanque elevado. Apto para viviendas con tuberías de 20 años o más. Hasta 2 duchas

garantia 2 años de garantía

Ventajas

  • No le afectan las pequeñas fugas de tuberías o griferías.
  • No presuriza la instalación en forma continua solamente cuando se consume más de 1 litro de agua por minuto.
  • Nunca se encenderá el equipo de no existir un consumo real de agua.
  • Bajo consumo eléctrico
  • No produce golpes de ariete.
  • No requiere mantenimiento.
  • Tecnología, Seguridad, confiabilidad

Motor

  • Totalmente silencioso
  • Bobinado protegido contra funcionamiento en seco, se apaga automáticamente
  • Protector térmico incorporado.

Construcción

  • Equipos compactos.
  • Partes en contacto con el agua fabricadas con materiales sanitarios.
  • Sistema rotor húmedo.

Conexiones

  • Entrada y salida de 1”
  • 2 válvulas esféricas con uniones dobles (polipropileno)
  • Conexión eléctrica directa a la red

Características

  • Tensiones disponibles: 127/ 220V
  • Temperatura máxima del agua: 40ºC
  • Temperatura ambiente: 40ºC
  • Presión máxima del sistema: 57 PSI (4Kg/cm2)
  • Tipo de aislación: F
  • Pérdida de carga máxima en succión: 5,7 PSI (4 m.c.a.).

Sistema SRS

  • Este producto fue fabricado de acuerdo con el Sistema de Reparación Simple por kits de reposición ROWA (SRS). El sistema SRS permite realizar cualquier reparación en menos de 15 minutos, en el mismo lugar donde se encuentra instalado el equipo. Los kits de reposición SRS pueden ser adquiridos en los comercios autorizados por ROWA.

Detalles técnicos

 
Presión Máxima (PSI)       12,8
Caudal Máximo (GMP)         11,00
Potencia (HP)  0,15
Tension V 127/220
I (A) 1,2/2,05
Conexion    1

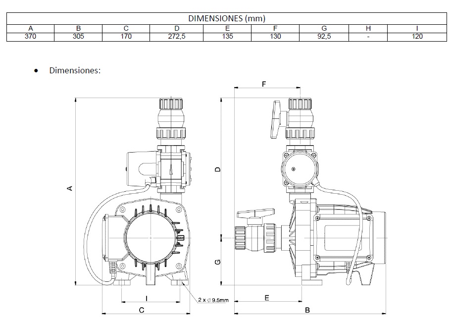
PESO: 6 kg / DIMENSIONES: (mm)

Posiciones de instalacion

El presurizador deberá ser instalado obligatoriamente de modo que el eje de la electrobomba permanezca en posición horizontal, de acuerdo a las siguientes figuras. El no cumplimiento de esta norma implicará el desgaste irregular del equipo y la consecuente pérdida de la garantía.

Esquema de Instalación

Esquema Tanque Elevado